motorcycle exterior diagram

DL Auto™ GMC Sierra 1999-2002 Dash Kits. 16 Pictures about DL Auto™ GMC Sierra 1999-2002 Dash Kits : TRANSPORT & MACHINERY :: ROAD TRANSPORT :: MOTORCYCLE :: MOTORCYCLE, Patent US20100193274 - Easily removable forecab for a motorcycle and also Patent US20100193274 - Easily removable forecab for a motorcycle.

DL Auto™ GMC Sierra 1999-2002 Dash Kits

DL Auto™ GMC Sierra 1999-2002 Dash Kits www.rvinyl.com

dash silverado 2001 gmc sierra 2002 1999 kits chevrolet dl diagram kit custom rvinyl

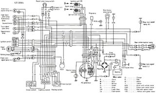
5 Motorcycle Wiring Mistakes (and How To Avoid Them)

5 motorcycle wiring mistakes (and how to avoid them) cdn.returnofthecaferacers.com

wiring avoid

TRANSPORT & MACHINERY :: ROAD TRANSPORT :: MOTORCYCLE :: MOTORCYCLE

TRANSPORT & MACHINERY :: ROAD TRANSPORT :: MOTORCYCLE :: MOTORCYCLE www.visualdictionaryonline.com

motorcycle parts vocabulary english visual motor names diagram engine bike transport tire cycle learning road machinery reading component dictionary vehicle

Pin On Cars And Motorcycles

Pin on Cars and motorcycles www.pinterest.com

suspension diagram suzuki vitara wheel drive parts components grand 4x4 jlx partsouq geo sidekick around arms

Motorcycle Parts Center Motorcycle Parts | Motorcyclepartsi

Motorcycle Parts Center Motorcycle Parts | Motorcyclepartsi motorcycle-parts-center.motorcyclepartsi.com

motorcycle center parts aftermarket cycles jpcycles degree stands rack accessories

DL Auto™ Ford F-150 2004-2008 Dash Kits

DL Auto™ Ford F-150 2004-2008 Dash Kits www.rvinyl.com

f150 ford dash diagram parts 150 2006 2005 2004 kits 2008 dl kit custom diagrams rvinyl

Lippert 141111 Hydraulic Power Unit With 2QT Pump Reservoir Kit Model

Lippert 141111 Hydraulic Power Unit With 2QT Pump Reservoir Kit Model www.rvupgradestore.com

hydraulic pump lippert reservoir diagram unit power kit slide motor rv parts 2qt replacement tank monaco ap slideout irv2 quart

Wiring Diagram For A 2007 Chevy Silverado | Trailer Light Wiring, Chevy

Wiring Diagram For A 2007 Chevy Silverado | Trailer light wiring, Chevy www.pinterest.com

wiring diagram silverado 2007 trailer chevy 1500 light

Electric Motorcycle Conversion

Electric Motorcycle Conversion www.perceptive-research.com

panel

InvisiGARD Plastic Protection Kit For Buell X1 Lightning®

InvisiGARD Plastic Protection Kit for Buell X1 Lightning® www.autotrimdesign.net

buell

How Do Motorcycle Parts Work As Viewed From The Left Side Engine Area

How Do Motorcycle Parts Work as Viewed from the Left Side Engine Area motorcycleviews.com

motorcycle engine parts side area left motorcycleviews

Pin Onand Motorcycles

Pin onand motorcycles www.pinterest.com

patentimages

Motorcycle Electrical System Basics - Malaysct

Motorcycle Electrical System Basics - malaysct malaysct.blogspot.com

motorcycle instructables

Bailey Caravan 13 Pin Wiring Diagram - 2

Bailey Caravan 13 Pin Wiring Diagram - 2 shimatembamsygg.blogspot.com

electrics tripping

IVECO TRAKKER Wiring Diagrams - Car Electrical Wiring Diagram

IVECO TRAKKER Wiring Diagrams - Car Electrical Wiring Diagram car-diagrams.jimdofree.com

trakker wiring iveco diagram engine electrical starting diagrams

Patent US20100193274 - Easily Removable Forecab For A Motorcycle

Patent US20100193274 - Easily removable forecab for a motorcycle www.google.ca

patents

F150 ford dash diagram parts 150 2006 2005 2004 kits 2008 dl kit custom diagrams rvinyl. Invisigard plastic protection kit for buell x1 lightning®. Wiring diagram for a 2007 chevy silverado