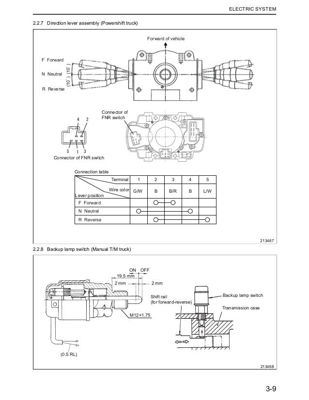
mitsubishi mini truck wiring diagram

Pajero 2.8 Wiring Diagram. 11 Images about Pajero 2.8 Wiring Diagram : Enhanced Mini Wiring Diagram FULL HD Version Wiring Diagram - LUTZ, C6 Corvette Wiring Diagram - easywiring and also Enhanced Mini Wiring Diagram FULL HD Version Wiring Diagram - LUTZ.

Pajero 2.8 Wiring Diagram

Pajero 2.8 Wiring Diagram schematron.org

pajero wiring diagram pdf mitsubishi sizes downloads engine models

68 Ford Alternator Wiring Diagram | Ford Truck, Alternator, Electrical

68 Ford Alternator Wiring Diagram | Ford truck, Alternator, Electrical www.pinterest.com

ford diagram alternator wiring

Repair-manuals: Toyota Pickup 1977 Wiring Diagrams

repair-manuals: Toyota Pickup 1977 Wiring Diagrams repair-manuals.blogspot.com

toyota wiring pickup diagrams diagram 1977 hiace manuals repair visit

Chevrolet C 1.5 WT 2007 Electrical Circuit Wiring Diagram » CarFuseBox

Chevrolet C 1.5 WT 2007 Electrical Circuit Wiring Diagram » CarFuseBox www.carfusebox.com

circuit carfusebox

Enhanced Mini Wiring Diagram FULL HD Version Wiring Diagram - LUTZ

Enhanced Mini Wiring Diagram FULL HD Version Wiring Diagram - LUTZ lutz-diagram.tacchettidiferro.it

wiring

C6 Corvette Wiring Diagram - Easywiring

C6 Corvette Wiring Diagram - easywiring www.easywiring.info

alternator easywiring shuck circuit

2002 Mitsubishi Lancer Radio Wiring Diagram - Wiring Diagram Schemas

2002 Mitsubishi Lancer Radio Wiring Diagram - Wiring Diagram Schemas wiringschemas.blogspot.com

lancer galant theworkshopmanualstore montero justanswer installment limitorque

GMC W4500 2005 Main Electrical Circuit Wiring Diagram - CarFuseBox

GMC W4500 2005 Main Electrical Circuit Wiring Diagram - CarFuseBox www.carfusebox.com

gmc 2005 w4500 diagram wiring electrical main circuit carfusebox fuse

Chevrolet K1500 2009 Wiring Electrical Circuit Wiring Diagram - CarFuseBox

Chevrolet K1500 2009 Wiring Electrical Circuit Wiring Diagram - CarFuseBox www.carfusebox.com

wiring k1500 carfusebox

Mitsubishi Fg25 Wiring Diagram - Wiring Diagram

Mitsubishi Fg25 Wiring Diagram - Wiring Diagram wiring121.blogspot.com

mitsubishi diagram forklift wiring fg25 manual

[DIAGRAM] Honda Acty Wiring Diagram FULL Version HD Quality Wiring Diagram

[DIAGRAM] Honda Acty Wiring Diagram FULL Version HD Quality Wiring Diagram ritualdiagrams.musicaemozioni.it

ignition acty mzch h38a

Circuit carfusebox. Mitsubishi fg25 wiring diagram. Mitsubishi diagram forklift wiring fg25 manual