low water cutoff wiring diagram
Heating Wiring Diagram / Atwood Rv Water Heater Wiring Diagram | Free. 17 Pictures about Heating Wiring Diagram / Atwood Rv Water Heater Wiring Diagram | Free : Weil Mclain Series 2 Wiring Diagram - Wiring Diagram, Wiring Residential Gas Heating Units and also Automatic Water Feeder shuts off power at low water? Plumber says it's.
Heating Wiring Diagram / Atwood Rv Water Heater Wiring Diagram | Free

lwc1 drayton atwood tracing diagrams
Old Hot Water - Fourmation Sales

Weil Mclain Series 2 Wiring Diagram - Wiring Diagram

wiring boiler weil mclain water wire low thermostat cutoff series cgx diagram steam furnace boilers options disconnected cga heating doityourself
Automatic Water Feeder Shuts Off Power At Low Water? Plumber Says It's

wiring thermostat boiler water low feeder automatic wire shuts plumber says power 0b
Low Water Cutoff Wiring Diagram - Drivenheisenberg
furnace boiler damper cutoff relay wire g11 millivolt diagrams cutoffs outage cleaned calibration inspected dismantled
Wiring Diagram Of Water Heater - Schematic Diagram Pictures Guide

heater btu
Guard Dog Low Water Cutoff Wiring Diagram - General Wiring Diagram

cutoff
Electric Water Pump

pump water electric wiring diagram wires engine earths arrows bare going down
Hot Water Pressure Washer Wiring Diagram - Wiring Diagram

alkota
Boiler Control Wiring Diagrams / Boiler - Where Do I Connect My C Wire

Mythbusting Electric Water Heater Installation

electric water heater installation turned should power debunking myths
Wiring Centre For Central Heating & Hot Water | Page 2 | DIYnot Forums
diynot
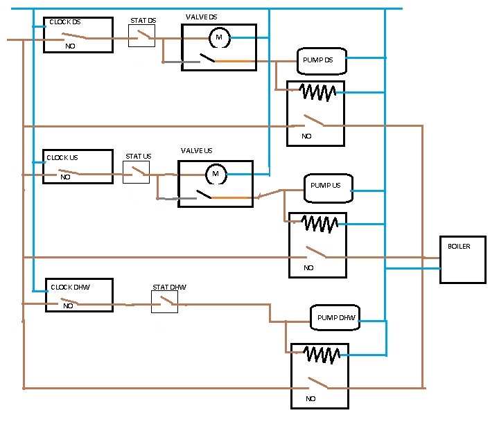
Need Help Understanding My S-Plan Wiring | DIYnot Forums
diynot
Wiring Residential Gas Heating Units

wiring diagram gas residential water low thermostat cutoff pressure control lwco heating schematic float type units figure database achrnews
Terms In A Hot Water Heating System And Help Needed On Wiring | Terry

wiring heating needed terms system water help
Wiring - Help Me Find C Wire On Williamson Boiler And Where Should I

williamson tstat
Traeger Wiring Diagram

traeger grills grill replace
Wiring residential gas heating units. Electric water heater installation turned should power debunking myths. Pump water electric wiring diagram wires engine earths arrows bare going down